OKU Solar-Komplettset bis max. 32m² Wasseroberfläche
OKU Solar-Komplettset bis max. 32m² Wasseroberfläche ist auf Lager und wird versandt, sobald es wieder verfügbar ist
Verfügbarkeit für Abholungen konnte nicht geladen werden
Versand
Versand
Versandkostenfrei ab 99 € Bestellwert (nur innerhalb Deutschlands)
Herstellerinformationen
Herstellerinformationen
Beschreibung
Beschreibung
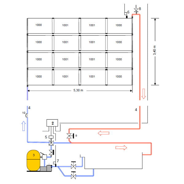
Solaranlage für Schwimmbecken bis 32m² Wasseroberfläche
Betrieb mit Drei-Wege-Motor-Kugelhahn und Differenztemperaturregelgerät über die Filterpumpe.
Lieferinhalt des Komplettsets:
- 8 x OKU-Absorber, schwarz mit 2 Anschlußstutzen Ø 25 mm und einseitig integriertem Sammelrohr Ø 40 mm, Abmessung 1320 mm x 820 mm
- 8 x OKU-Absorber, schwarz mit 4 Anschlußstutzen Ø 25 mm, Abmessung 1280 mm x 820 mm
- 8 x Verbindungsschlauch 38 x 5x 60 mm mit 2 Edelstahlschlauchschellen
- 24 x Verbindungsschlauch 25 x 3 x 63 mm mit 2 Edelstahlschlauchschellen
- 1 x Anschlußset für PVC- Verrohrung d 50 bestehend aus: 2 x Schlauchtülle, 2 x Muffe schwarz, 2 x kurze Reduktion
- 1 x Belüftungsset für PVC-Verrohrung Ø 50 bestehend aus 1 x Reduktions-T-Stück, 1 x Doppelnippel 1/2", Kegel-Fußventil 1/2" IG, 1 Teflonband
- 1 x Entleerungsset für PVC-Verrohrung d 50 bestehend aus: 1 x Reduktions-T-Stück, 1 x Reduktion, 32 x 3/4" und 1 x Entleerhahn
Zusätzlich im Lieferumfang zur Einbindung in den Filterkreislauf mit autom. Kugelhahn und Temperaturregelung:
- 1 x T-Stück 90° reduziert d 50 x 20 x 50 mm
- 1 x Reduzierstück d 20 mm x 1/2"IG
- 1 x T-Stück 45° d 50 mm
- 1 x Winkel 45° d 50 mm
- 1 x Kugelhahn S6 d 50 mm (Fallstrombremse)
- 1 x Kleber für PVC hart, Dose 250 gr.
- 1 x PVC Schmutzfilter S4 - PN 16 d 50 , 1,8 mm
- 1 x OKU Suncontrol: Differenztemperaturregler komplett mit 2 Fühlern
- 1 x Dreiwegekugelhahn S4 Solar PVC 50 mm mit elektrischem Stellmotor E0510, 230 V
Hinweis: Nicht enthalten ist die Verrohrung und Dachbefestigung
Vorteile der OKU Solarabsorber:
- geringer Druckverlust
- hoher Wirkungsgrad
- absolut Frostsicher
- vollflächig, begehbar
- einfache Montage
- chemikalienbeständig, schwimmbadwasserfest
- Baukastensystem
- in einem Stück hergestellt
Details:
- Geringer Druckverlust: ca. 0,003 bar bei 200l/h/ m²
- Durchflussmenge: 150 - 250 l m²/h
- Gewicht: ca. 6 kg/ m² - Wasserinhalt 6 l/ m²
- Prüfdruck: 4.5 bar bei NT
- Betriebsdruck: bis 1,2 bar bei 40°C
- Wirkungsgrad: bis ca. 85% - Leistung bis 0.85 Kwh/ m²
- Ø Rechenwert: 0,5 - 0,6 Kwh/ m²
- Leerlauffest: temperaturbeständig von -50°C bis +115°C
- für Salzwasserbecken geeignet
Schwimmbadsolarheizungen verlängern die Badesaison um viele Wochen.
Sie sind komfortabel, fortschrittlich, umweltfreundlich und kostengünstig - denn Sie beheizen Ihr Schwimmbad mit Sonnenenergie zum Nulltarif!
Die in Deutschland hergestellten Absorber aus HDPE bieten ideale Voraussetzungen für die solare Beheizung des Schwimmbadwassers.
Hinweis: Die abgebildeten Fotos entsprechen dem letzten Produktionsstand. Aufgrund der sich ständig ändernden Marktsituation kann jedoch die tatsächlich gelieferte Ware in Design und Farbe geringfügig davon abweichen. Infolge der technischen Weiterentwicklung sind Änderungen der Form kurzfristig möglich.
Passendes Zubehör
-
Befestigungslasche Universal für alle Dachziegel
€24,90Grundpreis €24,90 / StückNicht verfügbarAuf Lager -
-
Befestigungsset für Flachdächer 20 m Edelstahlseil,...
€178,90Grundpreis €178,90 / StückNicht verfügbarAuf Lager





